M-110紧凑型线性平台

M-110 • M-111 • M-112 紧凑型线性平台 具有多种驱动和行程的XY(Z)组合 折叠驱动,非常紧凑 步进电机和闭环直流电机 丝杠和滚珠丝杠 非接触式参考和限位开关 XY装置可直接安装 可大批量快速供应
  • 产品详情
  • 产品规格
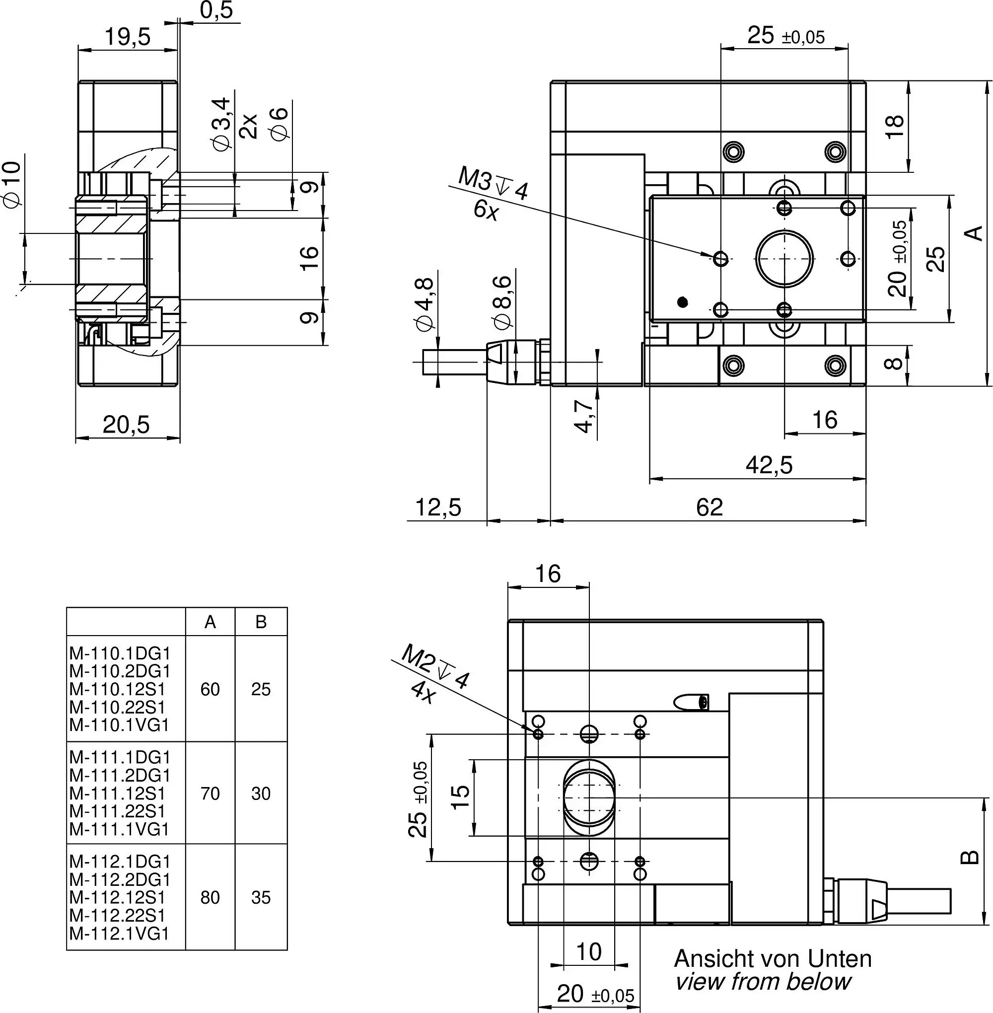
  • 产品尺寸
  • 资料下载


紧凑型线性平台,用途广泛

带皮带传动的折叠式驱动,线性平台结构紧凑。 通光孔径直径为10mm。 XY装置可直接安装,无需接装板。

驱动器

  • 两相步进电机或闭环直流齿轮电机
  • 空回补偿型螺纹主轴或滚珠丝杠

位置测量

  • 带直流齿轮电机的变型:电机轴上带旋转编码器
  • 非接触式霍尔效应参考点和限位开关

应用领域

精密微装配。 研究。 激光刻写。 自动化。 光学对准。


M110-1.png

M110-2.png

M-110-3.png


csm_KAT-M-11x.xxx1-DRW.eps_Bilder-Web_2383ddaa05.png